البرمجة
المحاضرة الثانية عشر لكورس الكلاسيك كنترول - محرك يعمل فى اتجاهين بشكل مباشر دون ايقاف ( اى بدون الضغط على زر OFF لتغير الاتجاه )
محرك يعمل فى اتجاهين بشكل مباشر دون ايقاف ( اى بدون الضغط على زر OFF لتغير الاتجاه ) :
دائرة القوى الكهربية :
نجد عمليه توصيل المحرك ب 2 كونتاكتور لاتمام عمليه الدوران فى اتجاهين
مختلفين .فيتم توصيل دخل ثلاثى الطور الى القاطع الرئيسى المسمى (Circuit breaker) من ثم الى ال
(Thermal Over Load)ثم لى المحرك الكهربى و يتم اخد من الدخل الى الكونتاكتور الاول المسؤل عن
الدوران الى اتجاه المين على سبيل المثال يتم اخد دخل الى الكونتاكور الثانى باختلاف احدى الفازتين لاتمام
عمليه الدوران عكس الاتجاه الاول كما موضح بالشكل .
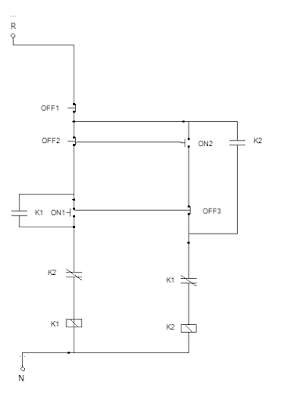
دائرة التحكم :
كما موضح فى الشكل دائرة تحكم لمحرك يعمل فى اتجاهين ولكن الجديد هنا اننا نريد ان يعمل فى الاتجاه
العكسى بدون الضغط على OFF كما درسنا مسبقا .
هنا عند الضغط على الزر ON يتم تشغيل الكونتاكتور الاول لخاص بدوران المحرك فى اتجاه اليمين على
سبيل المثال و فى نفس الوقت يتم فتح نقطة الزر Off 3 وعند الدوران فى الاتجاه الاخر دون الضغط على
زر OFF 2 نقوم بالضغط على ON2 فيفصل النقطة المغلقه ل OFF 2 ويعمل الكونتاكتور الثانى لخاص
بدوران المحرك فى الاتجاه الاخر و هكذا .



ليست هناك تعليقات:
إرسال تعليق