قوى كهربية و تحكم
انواع المولدات التزامنيه
انواع المولدات التزامنيه :

- مولدات تزامنيه بفرش كربونية .
- مولدات تزامنية بدون فرش كربونيه و تنقسم الى :
- مولدات تزامنيه بتغذيه ذاتيه مزوده بمنظم جهد AVR .
- مولدات تزامنيه بتغذيه منفصله مزوده بمنظم جهد AVR .
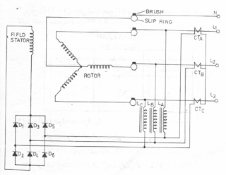
اولا مولدات تزامنيه بفرش كربونية :
فى هذا النوع نجد ان ملفات التيار المتردد مثبته على العضو الدوار Rotor و ملفات المجال تثبت على العضو الثابت Stator ,وفى هذا النوع من المولدات نجد ان سعتها تكون اقل من 20 KVA و يتم نقل تيار الخرج من المولد بوساطه ثلاث محولات تيار
CTS و ملفات خانقه Chock coils التى تقوم بتعويض التغير فى الحممل و معامل القدره .
- Slip Rings حلقات انزلاق .
- Brushes فرش كربونيه .
- Rotor العضو الدوار .
- Stator العضو الثابت .
- Current transformer محولات التيار .
- Coils ملفات خانقه .
- Rectifier موحدات الجهد .
حلقات الانزلاق: وهي التي تحمل التيار المُتردّد من وإلى المُحرّك.
الفرش: وتتصل بحلقات الانزلاق وتنقل التيار من وإلى الدائرة الكهربائية.
المولد ذات التغذيه الذاتيه :
يتكون من مولد تزامنى رئيسي عضوه الدوار يحمل ملفات المجال الرئيسي 2 , و العضو الثابت Stator يحمل ملفات التيار
المتردد الثلاثى الاوجه 1 , و يتم تثبيت على نفس عمود الدوران مولد اناره Exiter وهو مولد صغير يقوم بغذيه ملفات المجال
الرئيسي للمولد الرئيسي , يتولد مولد الاناره من عضو دوار يحمل ملفات تيار متردد ثلاثى الوجه 4 , وعضو ثابت يحمل ملفات
مجال مولد الاناره 5 , و يتم توحيد خرج مولد الاناره الثلاثى الاوجه بواسطه سته موحدات يتم تثبيتها على عمود الدوران 3 ,
ويتم التحكم فى جهد مجال مولد الاناره بوسطه منظم الجهد 6 , ويتم ضبطه على الجهد المطلوب بوسطه مقاومه متغيره 8 .



الله يبارك لك
ردحذف